J'ai trouvé un exercice sur les Amplificateurs Opérationnels et je pense qu'en apparence mes résultats sont justes mais j'ai l'impression que quelque chose m'échappe . Pouvez vous m'aider ?
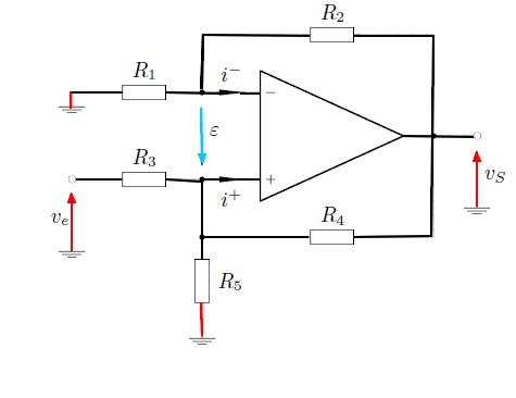
Voici l'énoncé:
Je dois dire que les hypothèses me perturbent car on dirait qu'on travaille avec un AOP idéal (courant d'entrée nul) mais en régime de Saturation (c'est mon premier exercice que je fais en régime non-linéaire puisque Epsilon est différent de 0.)Pour ce montage, on désire déterminer la condition de fonctionnement en régime linéaire.
1) On prendra comme hypothèses:\(i^-=i^+=0\)et Epsilon différent de 0.
a) Déterminer V-
b) Déterminer V+
c)Montrer que Vs=\(\frac{ve*k1}{k3-k2}-\frac{Epsilon}{k3-k2}\)
avec les k1,k2,k3 des coefficients en fonctions des résistances du circuit
2)A quelle conditionle montage fonctionne il en régime linéaire ?
L'AOP est en boucle fermée en contre réaction négative car nous sommes
a) Par un pont diviseur de tension, on a
\(v^-=\frac{vs*R1}{R1+R2}\)
b)On applique Millman en +, on obtient:
\(v^+=\frac{ve*R4*R5+VS*R3*R5}{R3R4+R3R5+R4R5}\)
c)On annonce: Epsilon=V+ - V-
On remplace V+ et V- par les expressions trouvées précedemment et on isole Vs.
Je n'ai pas mis le développement mais au final, retrouve bien ce qui est demandé.
2)Pour que le montage soit linéaire, il faut que Epsilon soit nul donc que 1/(k3-k2) soit nul (et là je remplace k par leur résistance et je trouve une formule contenant seulement des résistances)
Voilà, je pense avoir juste pour trouver les calculs mais c'est plus le raisonnement qui me gène.
Le fait de travailler en saturation n' a apparemment rien changer et c'est ce qui me pertube.
De plus, je crois qu'il y a un problème dans mon raisonnement. J'ai dis que l'Aop était en contre réaction négative car il y avait une connection entre la branche - et la sortie.
Mais pourquoi pas en contre réaction positive ? (il y a aussi une connection)
Merci de m'éclaircir
