Intensité et tension négative
Modérateur : moderateur
-
STI
Intensité et tension négative
Bonjour,
je bloque sur un exercice concernant le câblage en électricité.
Je dois proposer deux schémas qui doivent répondre à ces deux conditions:
- Un schéma vérifiant I<0 et U>0
-Un schéma vérifiant I>0 et U<0.
je précise que nous sommes en régime continue et qu'il m'est impossible de "traffiquer" en changeant les bornes d'un éventuelle ampèremètre.
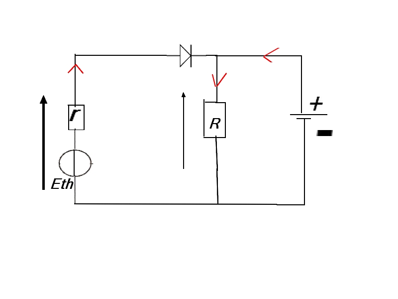
J'ai tenté de représenter le "schéma de base" mais des éléments peuvent changer de place comme la diode (pièce jointe, en rouge correspond le sens du courant).
Voici ce que je pensais:
* Pour le deuxième schéma, je pense qu'il suffit d'inverser Eth pour obtenir une tension négatif (donc flèche de tension vers le bas).
*Pour le premier schéma, je pense qu'il faut inverser R afin d'être en convention Générateur, l'intensité sera ainsi négative.
Qu'en pensez vous ?
Merci de votre aide et bonnes fêtes.
je bloque sur un exercice concernant le câblage en électricité.
Je dois proposer deux schémas qui doivent répondre à ces deux conditions:
- Un schéma vérifiant I<0 et U>0
-Un schéma vérifiant I>0 et U<0.
je précise que nous sommes en régime continue et qu'il m'est impossible de "traffiquer" en changeant les bornes d'un éventuelle ampèremètre.
J'ai tenté de représenter le "schéma de base" mais des éléments peuvent changer de place comme la diode (pièce jointe, en rouge correspond le sens du courant).
Voici ce que je pensais:
* Pour le deuxième schéma, je pense qu'il suffit d'inverser Eth pour obtenir une tension négatif (donc flèche de tension vers le bas).
*Pour le premier schéma, je pense qu'il faut inverser R afin d'être en convention Générateur, l'intensité sera ainsi négative.
Qu'en pensez vous ?
Merci de votre aide et bonnes fêtes.
Re: Intensité et tension négative
Bonjour "STI",
De quelle tension U et de quelle intensité I s'agit-il ?
Sos(14)
De quelle tension U et de quelle intensité I s'agit-il ?
Sos(14)
-
STI
Re: Intensité et tension négative
Bonjour,
merci de prendre sur votre temps pour m'aider.
Le sujet précise seulement d'étudier la source en récepteur (I<0 avec U>0, puis U<0 avec I>0).
Par conséquent, je suppose que U correspond à la tension au borne de Eth et R et I est l'intensité délivrée par Eth.
Merci encore.
merci de prendre sur votre temps pour m'aider.
Le sujet précise seulement d'étudier la source en récepteur (I<0 avec U>0, puis U<0 avec I>0).
Par conséquent, je suppose que U correspond à la tension au borne de Eth et R et I est l'intensité délivrée par Eth.
Merci encore.
Re: Intensité et tension négative
Bonsoir STI,
Je ne comprends toujours pas bien ce qui vous est demandé.
Le circuit vous est-il imposé ou bien est-ce à vous d'en proposer un ?
Si le circuit vous est imposé et qu'il faille étudier la source modélisée par les éléments du modèle de Thévenin, alors il vous faut reprendre la convention récepteur et adapter les flèches qui indiquent les sens conventionnels de U et I (qui peuvent être différents des sens réels !) afin d'avoir un signe de P qui traduise le rôle générateur de votre source.
Sos(14)
Je ne comprends toujours pas bien ce qui vous est demandé.
Le circuit vous est-il imposé ou bien est-ce à vous d'en proposer un ?
Si le circuit vous est imposé et qu'il faille étudier la source modélisée par les éléments du modèle de Thévenin, alors il vous faut reprendre la convention récepteur et adapter les flèches qui indiquent les sens conventionnels de U et I (qui peuvent être différents des sens réels !) afin d'avoir un signe de P qui traduise le rôle générateur de votre source.
Sos(14)
-
STI
Re: Intensité et tension négative
Bonsoir,
il est vrai que je me suis mal expliqué.
Si vous voulez, je dispose d'un générateur de Thévenin avec sa résistance interne r, d'une charge R, d'une diode et d'un autre générateur.
De ce matériel, je dois créer, deux schémas différents qui vérifient les conditions ci dessus (à savoir u>0 et i<0 puis u<0 et i>0).
Le schéma que j'ai représenté (pièce jointe) est celui pour lequel je pense que u>0 et i>0. (sauf erreur)
Par conséquent, je cherche à "réagencer" les dipôles pour que mes conditions soient atteintes.
Que représente P dans vos explications ? (la puissance ?)
Merci encore une fois.
il est vrai que je me suis mal expliqué.
Si vous voulez, je dispose d'un générateur de Thévenin avec sa résistance interne r, d'une charge R, d'une diode et d'un autre générateur.
De ce matériel, je dois créer, deux schémas différents qui vérifient les conditions ci dessus (à savoir u>0 et i<0 puis u<0 et i>0).
Le schéma que j'ai représenté (pièce jointe) est celui pour lequel je pense que u>0 et i>0. (sauf erreur)
Par conséquent, je cherche à "réagencer" les dipôles pour que mes conditions soient atteintes.
Que représente P dans vos explications ? (la puissance ?)
Merci encore une fois.
Re: Intensité et tension négative
Bonjour STI (toujours pas de prénom ?)
P désigne la puissance en effet ! Dont le signe est lié à la convention ET au rôle du dipôle concerné.
Je comprends un peu mieux ce qui vous est demandé, mais je ne vois pas bien quelle est l'utilité du second générateur... ni même de la diode. En effet les signes de vos quantités réelles (Uréel et Iréel) dépendent de la convention choisie pour le "fléchage" du dipôle choisi dans le circuit. Si vous choisissez le générateur de Thévenin en convention récepteur il n' y a que deux solutions possibles (peut importe le circuit extérieur tant que votre source reste génératrice d'énergie)... qui répondront à la demande de l'énoncé.
J'attends vos deux propositions.
Sos(14)
P désigne la puissance en effet ! Dont le signe est lié à la convention ET au rôle du dipôle concerné.
Je comprends un peu mieux ce qui vous est demandé, mais je ne vois pas bien quelle est l'utilité du second générateur... ni même de la diode. En effet les signes de vos quantités réelles (Uréel et Iréel) dépendent de la convention choisie pour le "fléchage" du dipôle choisi dans le circuit. Si vous choisissez le générateur de Thévenin en convention récepteur il n' y a que deux solutions possibles (peut importe le circuit extérieur tant que votre source reste génératrice d'énergie)... qui répondront à la demande de l'énoncé.
J'attends vos deux propositions.
Sos(14)
-
John27,STI
Re: Intensité et tension négative
Bonjour Sos(14),
concernant l'autre générateur et la diode, je suis obligé de les conserver.
En effet, je dois proposer des schémas permettant d'étudier la source en récepteur (pour I<0 avec U>0, puis U<0 avec I>0). Donc forcement, il me faut un autre générateur.
De plus, je n'ai pas précisé le contexte (car je ne le pensais pas utile) mais ce schéma modélise une cellule photovoltaïque d'où l'importance de la diode.
Sinon pour mes propositions:
-Pour u<0 et I>0, il faut que Eth et r soit en convention récepteur. (donc flèche vers le bas)
- Pour u>0 et I<0, on m'a fait remarqué qu'on pouvait mettre la diode dans l'autre sens, ainsi le générateur Eth "recevrait" du courant (ce qui se traduit par i<0) tout en ayant un tension u>0. Qu'en pensez vous ?
Cependant vous me dites qu'il ne faut pas considérer le circuit extérieur mais après quelques recherches, j'ai lu qu'en convention récepteur, si u>0 alors i>0 et si u<0 alors i<0.
Ce qui me pose problème.
Merci d'avance !
concernant l'autre générateur et la diode, je suis obligé de les conserver.
En effet, je dois proposer des schémas permettant d'étudier la source en récepteur (pour I<0 avec U>0, puis U<0 avec I>0). Donc forcement, il me faut un autre générateur.
De plus, je n'ai pas précisé le contexte (car je ne le pensais pas utile) mais ce schéma modélise une cellule photovoltaïque d'où l'importance de la diode.
Sinon pour mes propositions:
-Pour u<0 et I>0, il faut que Eth et r soit en convention récepteur. (donc flèche vers le bas)
- Pour u>0 et I<0, on m'a fait remarqué qu'on pouvait mettre la diode dans l'autre sens, ainsi le générateur Eth "recevrait" du courant (ce qui se traduit par i<0) tout en ayant un tension u>0. Qu'en pensez vous ?
Cependant vous me dites qu'il ne faut pas considérer le circuit extérieur mais après quelques recherches, j'ai lu qu'en convention récepteur, si u>0 alors i>0 et si u<0 alors i<0.
Ce qui me pose problème.
Merci d'avance !
Re: Intensité et tension négative
Bonjour John27,
Cela s'éclaire un peu mais :
- si la cellule photovoltaïque est modélisée par Eth et r ainsi que la diode, ce dipôle n'est pas "réversible", j'entends pas là que je n'ai jamais entendu parler d'alimenter une cellule photovoltaïque en énergie électrique afin de produire ? quoi d'ailleurs ? de la lumière ? de l'énergie thermique ?
Donc, pour moi, le courant d'intensité I ne peut être que dans un seul sens physiquement intéressant ...
Ceci dit
Il faut que vous distinguiez clairement (et j'en conclus d'après vos messages que ce n'est pas le cas) ce qui relève de la convention de fléchage (convention récepteur et générateur) de ce qui relève du rôle récepteur ou générateur d'énergie électrique.
Un générateur d'énergie électrique peut être fléché en convention récepteur !! La puissance reçue sera alors négative (traduisant ainsi son rôle générateur d'énergie) en effet quand on reçoit une somme négative, c'est qu'on l'a perdue ou fournie à l'extérieur ...
Donc on peut tout à fait laisser la cellule photovoltaïque dans son rôle physiquement intéressant de générateur d'énegie électrique et modifier les conventions de fléchages (récepteur) de U et I de telle sorte à avoir tjs P < 0 ...
Me suis-je fais comprendre. N'hésitez pas à revenir si ce n'est pas le cas.
Sos(14=)
Cela s'éclaire un peu mais :
- si la cellule photovoltaïque est modélisée par Eth et r ainsi que la diode, ce dipôle n'est pas "réversible", j'entends pas là que je n'ai jamais entendu parler d'alimenter une cellule photovoltaïque en énergie électrique afin de produire ? quoi d'ailleurs ? de la lumière ? de l'énergie thermique ?
Donc, pour moi, le courant d'intensité I ne peut être que dans un seul sens physiquement intéressant ...
Ceci dit
Il faut que vous distinguiez clairement (et j'en conclus d'après vos messages que ce n'est pas le cas) ce qui relève de la convention de fléchage (convention récepteur et générateur) de ce qui relève du rôle récepteur ou générateur d'énergie électrique.
Un générateur d'énergie électrique peut être fléché en convention récepteur !! La puissance reçue sera alors négative (traduisant ainsi son rôle générateur d'énergie) en effet quand on reçoit une somme négative, c'est qu'on l'a perdue ou fournie à l'extérieur ...
Donc on peut tout à fait laisser la cellule photovoltaïque dans son rôle physiquement intéressant de générateur d'énegie électrique et modifier les conventions de fléchages (récepteur) de U et I de telle sorte à avoir tjs P < 0 ...
Me suis-je fais comprendre. N'hésitez pas à revenir si ce n'est pas le cas.
Sos(14=)
-
Invité
Re: Intensité et tension négative
Bonjour Sos(14),
Il est vrai qu'il est bizarre d'étudier Eth en récepteur mais je pense que le but de la question réside plutôt dans le fait de proposer un câblage qui permette de suivre les conditions.
Pour votre seconde partie de réponse, je pense que vous m'inciter à "jongler" avec les conventions.
Mais nous sommes en régime continue et donc: P=U*I.
Si je flèche pour mette Eth en convention récepteur, la puissance sera négative, mais comment savoir si le responsable du signe négatif est U ou I ?
Merci de votre aide.
Je ne comprends pas votre démarche. Etes vous en train de me dire qu'il n'est pas logique d'étudier Eth en récepteur ou êtes vous en train de remettre en cause la présence du deuxième générateur ?sos(14) a écrit :Bonjour John27,
Cela s'éclaire un peu mais :
- si la cellule photovoltaïque est modélisée par Eth et r ainsi que la diode, ce dipôle n'est pas "réversible", j'entends pas là que je n'ai jamais entendu parler d'alimenter une cellule photovoltaïque en énergie électrique afin de produire ? quoi d'ailleurs ? de la lumière ? de l'énergie thermique ?
Donc, pour moi, le courant d'intensité I ne peut être que dans un seul sens physiquement intéressant ...
Il est vrai qu'il est bizarre d'étudier Eth en récepteur mais je pense que le but de la question réside plutôt dans le fait de proposer un câblage qui permette de suivre les conditions.
Pour votre seconde partie de réponse, je pense que vous m'inciter à "jongler" avec les conventions.
Mais nous sommes en régime continue et donc: P=U*I.
Si je flèche pour mette Eth en convention récepteur, la puissance sera négative, mais comment savoir si le responsable du signe négatif est U ou I ?
Merci de votre aide.
Re: Intensité et tension négative
Bonjour Visiteur (John 27 ? , STI ?),
On peut tout à fait étudier Eth en tant que récepteur d'énergie, qui serait "chargé" (comme une batterie) par le second générateur, je dis juste que économiquement (sil s'agit de modéliser une cellule PV) je ne trouve pas ce processus très intéressant, mais sinon pourquoi pas ? Il me semblait juste qu'en STI on cherchait à se rapprocher de situation un peu industrielle et donc avec une vocation économique au moins sous-entendue...
Pour la suite, il me semble que je demandais à John27 d'éclaircir son propos sur convention ou situation réelle.
On peut très bien imaginer un fléchage de "Eth et r" qui respecte la convention récepteur (avec les flèches de U -tension aux bornes de l'ensemble Eth et r- et I "opposées" du moins sur la partie gauche du circuit) alors qu'il reste générateur d'énergie (donc avec P < 0 et un câblage identique dans le deux cas, similaire à celui proposé par STI -1er message-) avec :
soit U négatif (=-E -rI) et I positif et donc U.I <0
soit U positif (=E +rI) et I négatif et donc U.I <0
On peut aussi imaginer un câblage qui donne un Iréel <0 avec un U < 0 ce qui en convention récepteur traduirait un gain d'énergie (car P > 0) et traduirait le rôle récepteur du dipôle considéré.
On peut aussi faire débiter le dipôle "cellule PV" avec Iréel>0 et U >0 (en convention géné) ce qui donne P > 0 et donc un rôle géné...
etc ...
En espérant avoir éclairci le débat ??
Sinon comme d'habitude vous revenez "à la charge" !!
Sos(14)
On peut tout à fait étudier Eth en tant que récepteur d'énergie, qui serait "chargé" (comme une batterie) par le second générateur, je dis juste que économiquement (sil s'agit de modéliser une cellule PV) je ne trouve pas ce processus très intéressant, mais sinon pourquoi pas ? Il me semblait juste qu'en STI on cherchait à se rapprocher de situation un peu industrielle et donc avec une vocation économique au moins sous-entendue...
Pour la suite, il me semble que je demandais à John27 d'éclaircir son propos sur convention ou situation réelle.
On peut très bien imaginer un fléchage de "Eth et r" qui respecte la convention récepteur (avec les flèches de U -tension aux bornes de l'ensemble Eth et r- et I "opposées" du moins sur la partie gauche du circuit) alors qu'il reste générateur d'énergie (donc avec P < 0 et un câblage identique dans le deux cas, similaire à celui proposé par STI -1er message-) avec :
soit U négatif (=-E -rI) et I positif et donc U.I <0
soit U positif (=E +rI) et I négatif et donc U.I <0
On peut aussi imaginer un câblage qui donne un Iréel <0 avec un U < 0 ce qui en convention récepteur traduirait un gain d'énergie (car P > 0) et traduirait le rôle récepteur du dipôle considéré.
On peut aussi faire débiter le dipôle "cellule PV" avec Iréel>0 et U >0 (en convention géné) ce qui donne P > 0 et donc un rôle géné...
etc ...
En espérant avoir éclairci le débat ??
Sinon comme d'habitude vous revenez "à la charge" !!
Sos(14)
-
John27
Re: Intensité et tension négative
Bonsoir Sos (14),
veuillez m'excuser, je suis STI, John27 et "Visiteur".
Concernant votre réponse, je bloque sur certains points.
On obtiendrait le schéma en pièce jointe. Je suis d'accord que puisque que c'est un générateur et que nous sommes en convention récepteur, la puissance sera négatif.
Cependant, comment puis je savoir si c'est U ou I qui est négatif à la base ? (car P= U*I)
D'après votre réponse, j'en déduis qu'on ne peut pas savoir et qu'on doit traiter les 2 cas. (comme vous l'avez fait à la fin du message cité)
Ai je bien compris ?
Mais ne pensez vous pas que le diode a un rôle plus important ?
Merci d'avance.
veuillez m'excuser, je suis STI, John27 et "Visiteur".
Concernant votre réponse, je bloque sur certains points.
Je suis entièrement d'accord avec vous pour la convention récepteur.sos(14) a écrit :On peut très bien imaginer un fléchage de "Eth et r" qui respecte la convention récepteur (avec les flèches de U -tension aux bornes de l'ensemble Eth et r- et I "opposées" du moins sur la partie gauche du circuit) alors qu'il reste générateur d'énergie (donc avec P < 0 et un câblage identique dans le deux cas, similaire à celui proposé par STI -1er message-) avec :
soit U négatif (=-E -rI) et I positif et donc U.I <0
soit U positif (=E +rI) et I négatif et donc U.I <0
On obtiendrait le schéma en pièce jointe. Je suis d'accord que puisque que c'est un générateur et que nous sommes en convention récepteur, la puissance sera négatif.
Cependant, comment puis je savoir si c'est U ou I qui est négatif à la base ? (car P= U*I)
D'après votre réponse, j'en déduis qu'on ne peut pas savoir et qu'on doit traiter les 2 cas. (comme vous l'avez fait à la fin du message cité)
Ai je bien compris ?
Mais ne pensez vous pas que le diode a un rôle plus important ?
Pouvez vous me réexpliquer pourquoi cette idée est fausse.Pour u>0 et I<0, on m'a fait remarqué qu'on pouvait mettre la diode dans l'autre sens, ainsi le générateur Eth "recevrait" du courant (ce qui se traduit par i<0) tout en ayant un tension u>0. Qu'en pensez vous ?
Merci d'avance.
- Fichiers joints
-
- schema2.jpg (8.86 Kio) Vu 7378 fois
Re: Intensité et tension négative
Bonsoir John27, STI, visiteur (3 prénoms, joli !)
Quant à U il est négatif puisque la flèche jaune de convention est opposée à la flèche noire de U !!
Me suis-je fais comprendre ?
Il n'y a qu'à recommencer en orientant à l'opposé la flèche de convention de I et de U (alors I sera négatif puisque de sens réel opposé à celui de la convention) et U positif puisque de même sens que celle de convention.
Ensuite je vous réponds demain matin, des impondérables familiaux m'appellent.
Sos(14)
En analysant physiquement ce qui se passe dans le circuit ! Dans votre schéma I est positif puisque dans le même sens que la flèche de convention (qui manque à votre schéma d'ailleurs, je conseille à mes élèves de la mettre à côté de la branche du circuit considérée en indiquant Iconv par exemple pour qu'on comprenne bien de quoi il s'agit).John27 a écrit :Cependant, comment puis je savoir si c'est U ou I qui est négatif à la base ? (car P= U*I)
Quant à U il est négatif puisque la flèche jaune de convention est opposée à la flèche noire de U !!
Me suis-je fais comprendre ?
Il n'y a qu'à recommencer en orientant à l'opposé la flèche de convention de I et de U (alors I sera négatif puisque de sens réel opposé à celui de la convention) et U positif puisque de même sens que celle de convention.
Ensuite je vous réponds demain matin, des impondérables familiaux m'appellent.
Bonne nuit tout de mêmeJohn27 a écrit : Pour u>0 et I<0, on m'a fait remarqué qu'on pouvait mettre la diode dans l'autre sens, ainsi le générateur Eth "recevrait" du courant (ce qui se traduit par i<0) tout en ayant un tension u>0. Qu'en pensez vous ?
Pouvez vous me réexpliquer pourquoi cette idée est fausse.
Sos(14)
-
John27
Re: Intensité et tension négative
Bonjour Sos(14),
Dans le cas où u>0 et i<0
Concernant Iconv, n'est ce pas l'intensité relative au générateur Eth ?
J'ai modifier le schéma pour essayer de mieux comprendre .
ici nous sommes en convention générateur pour Eth, donc U est positif, je suis d'accord.
Par contre le fléchage de I me pose problème, au vue du sens sur mon nouveau schéma, cela induit que c'est l'autre générateur qui est responsable (donc ceci présuppose qu'il faut changer le sens d'orientation de la diode).
Je crois qu'une subtilité m'échappe.
Merci de votre aide.
sos(14) a écrit :En analysant physiquement ce qui se passe dans le circuit ! Dans votre schéma I est positif puisque dans le même sens que la flèche de convention (qui manque à votre schéma d'ailleurs, je conseille à mes élèves de la mettre à côté de la branche du circuit considérée en indiquant Iconv par exemple pour qu'on comprenne bien de quoi il s'agit).
Quant à U il est négatif puisque la flèche jaune de convention est opposée à la flèche noire de U !!
Me suis-je fais comprendre ?
Il n'y a qu'à recommencer en orientant à l'opposé la flèche de convention de I et de U (alors I sera négatif puisque de sens réel opposé à celui de la convention) et U positif puisque de même sens que celle de convention.
Dans le cas où u>0 et i<0
Concernant Iconv, n'est ce pas l'intensité relative au générateur Eth ?
J'ai modifier le schéma pour essayer de mieux comprendre .
ici nous sommes en convention générateur pour Eth, donc U est positif, je suis d'accord.
Par contre le fléchage de I me pose problème, au vue du sens sur mon nouveau schéma, cela induit que c'est l'autre générateur qui est responsable (donc ceci présuppose qu'il faut changer le sens d'orientation de la diode).
Je crois qu'une subtilité m'échappe.
Merci de votre aide.
- Fichiers joints
-
- schema3.jpg (14.11 Kio) Vu 7373 fois
-
John27
Re: Intensité et tension négative
Veuillez m'excuser de ce double poste.
Un doute m'est venu, le cas où i>0 et u<0 correspond au deuxième schéma, mais concrètement, dans la pratique, comment dois je faire pour placer ce générateur en convention récepteur ?
Certes, ce sont des conventions, l'intensité ne sera jamais négative au sens mathématiques mais ma question initiale me demande de proposer un câblage permettant de vérifier ces conditions.
Je ne voies pas comment on peut réaliser ceci seulement en intervenant seulement sur Eth.
Merci encore
Un doute m'est venu, le cas où i>0 et u<0 correspond au deuxième schéma, mais concrètement, dans la pratique, comment dois je faire pour placer ce générateur en convention récepteur ?
Certes, ce sont des conventions, l'intensité ne sera jamais négative au sens mathématiques mais ma question initiale me demande de proposer un câblage permettant de vérifier ces conditions.
Je ne voies pas comment on peut réaliser ceci seulement en intervenant seulement sur Eth.
Merci encore
Re: Intensité et tension négative
Bonjour John27,
Pour votre second schéma, vous êtes passé en convention générateur, et vous avez U > 0 mais I < 0 (et en effet il faudrait physiquement changer le sens de la diode, mais passons) ce qui vous donne P < 0 en convention générateur et donc un dipôle récepteur d'énergie !!
Alors que les deux exemples que je développais précédemment avaient tous deux trait à un dipôle générateur d'énergie et fléché en convention récepteur dans les deux cas ...
Mais pourquoi pas ? Votre cas est valable (au sens de la diode près). Et en effet dans ce cas là c'est le second dipôle qui imposerait le sens du courant.
Ensuite
Il y a bien deux manières de faire :
- soit U>0 vers le haut et I>0 vers le bas
ou bien
- U>0 vers le bas et I>0 vers le haut
Physiquement on pourra toujours se dire que le courant va dans le sens opposé à la convention choisi et que par conséquent les électrons (je suppose qu'on parle de métaux) vont dans le sens de la convention etc ... mais mathématiquement si vous prenez un sens interdit (c'est mal et dangereux) vous êtes dans le sens négatif !
Mais à nouveau à la relecture de vos messages, il m'apparaît que vous n'avez pas tout à fait compris la différence entre les conventions de fléchage de U et I d'une part et les grandeurs réelles U et I d'autre part . C'est ce qu'on appelle l'algèbrisation des grandeurs, opération qui est très courante en physique mais qui assez ardue au début pour les élèves voire les étudiants. Il faut comprendre que le choix conventionnel est :
- purement arbitraire
- mais rempli sa fonction parfaitement : il fixe un signe positif à une grandeur quand la grandeur réelle est dans le "bon"sens MAIS on continue à noter la grandeur de la même manière (I ou U ou ...)
Par exemple ce n'est pas parce que le courant va dans le "mauvais" sens qu'on notera - I , on continue à noter I en sachant que cette grandeur est négative.
Le signe venant de la confrontation de la convention choisie et d'une mesure par exemple ou d'une analyse physique de la situation.
Pour finir (désolé je suis un peu long en ce moment)
Dites moi si j'ai répondu à toutes vos attentes et questions.
Sos (14)
Pour votre second schéma, vous êtes passé en convention générateur, et vous avez U > 0 mais I < 0 (et en effet il faudrait physiquement changer le sens de la diode, mais passons) ce qui vous donne P < 0 en convention générateur et donc un dipôle récepteur d'énergie !!
Alors que les deux exemples que je développais précédemment avaient tous deux trait à un dipôle générateur d'énergie et fléché en convention récepteur dans les deux cas ...
Mais pourquoi pas ? Votre cas est valable (au sens de la diode près). Et en effet dans ce cas là c'est le second dipôle qui imposerait le sens du courant.
Ensuite
La convention récepteur correspond à des fléchages conventionnels de U et I opposés. Faites-le !John27 a écrit :Un doute m'est venu, le cas où i>0 et u<0 correspond au deuxième schéma, mais concrètement, dans la pratique, comment dois je faire pour placer ce générateur en convention récepteur
Il y a bien deux manières de faire :
- soit U>0 vers le haut et I>0 vers le bas
ou bien
- U>0 vers le bas et I>0 vers le haut
Et bien si !! Justement mathématiquement l'intensité peut être négative !!!! sans aucun problème !!!John27 a écrit :Certes, ce sont des conventions, l'intensité ne sera jamais négative au sens mathématiques
Physiquement on pourra toujours se dire que le courant va dans le sens opposé à la convention choisi et que par conséquent les électrons (je suppose qu'on parle de métaux) vont dans le sens de la convention etc ... mais mathématiquement si vous prenez un sens interdit (c'est mal et dangereux) vous êtes dans le sens négatif !
Mais à nouveau à la relecture de vos messages, il m'apparaît que vous n'avez pas tout à fait compris la différence entre les conventions de fléchage de U et I d'une part et les grandeurs réelles U et I d'autre part . C'est ce qu'on appelle l'algèbrisation des grandeurs, opération qui est très courante en physique mais qui assez ardue au début pour les élèves voire les étudiants. Il faut comprendre que le choix conventionnel est :
- purement arbitraire
- mais rempli sa fonction parfaitement : il fixe un signe positif à une grandeur quand la grandeur réelle est dans le "bon"sens MAIS on continue à noter la grandeur de la même manière (I ou U ou ...)
Par exemple ce n'est pas parce que le courant va dans le "mauvais" sens qu'on notera - I , on continue à noter I en sachant que cette grandeur est négative.
Le signe venant de la confrontation de la convention choisie et d'une mesure par exemple ou d'une analyse physique de la situation.
Pour finir (désolé je suis un peu long en ce moment)
En effet pour réaliser un câblage permettant de mettre la cellule PV en récepteur d'énergie il faut placer un second générateur de sorte à donner de l'énergie à cette cellule et donc la placer en mode récepteur (la résistance en // ne servant à rien dans ce cas mais vous pouvez la laisser), quant à la diode soit vous l'enlevez soit en effet il faut la mettre dans l'autre sens.John27 a écrit :mais ma question initiale me demande de proposer un câblage permettant de vérifier ces conditions.
Je ne voies pas comment on peut réaliser ceci seulement en intervenant seulement sur Eth.
Dites moi si j'ai répondu à toutes vos attentes et questions.
Sos (14)
