Montage Astable NE555

Retrouver tous les sujets résolus

Modérateur : moderateur

Verrouillé
Abdel Tle SSI

Montage Astable NE555

Message par Abdel Tle SSI » jeu. 29 oct. 2009 14:27

Bonjour,

Veuillez m'aider à résoudre cet exercice je n'ai pas compris

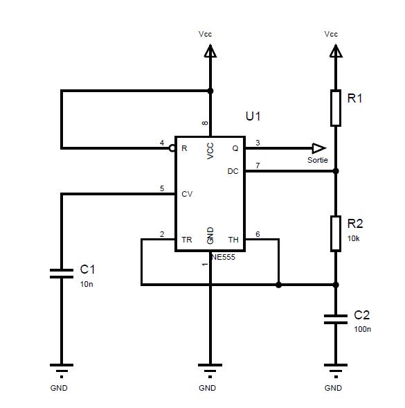
Voici l'énoncé : Calculer la fréquence du signal au point de sortie, mais avant de calculer la fréquence il faut trouver la résistance R1

je ne sais pas comment faire, veuillez m'expliquer comment il faut R1 et la fréquence

Schéma :
Fichiers joints
astable ne555.JPG
SoS(9)
Messages : 1119
Enregistré le : mer. 17 oct. 2007 12:35

Re: Montage Astable NE555

Message par SoS(9) » lun. 2 nov. 2009 09:04

Je suis hélas bien en peine pour vous répondre. Peut être qu'un collègue spécialiste en électricité / électronique sera plus qualifié que moi.
Désolé
SoS(16)
Messages : 216
Enregistré le : lun. 8 déc. 2008 11:52

Re: Montage Astable NE555

Message par SoS(16) » mar. 3 nov. 2009 14:16

La sortie de votre ne555 est un créneau dont les durées des états HAUT (t1) et BAS (t2) sont donées par les valeurs suivantes :

t1 = 0,7 x ( R1 +R2 ) x C2
t2 = 0,7 x R2 x C2

La période du signal est alors :
T = t1 + t2

et la fréquence f = 1/T

Il manque donc à priori des données das votre exercice.

A suivre...
SoS(16)
Messages : 216
Enregistré le : lun. 8 déc. 2008 11:52

Re: Montage Astable NE555

Message par SoS(16) » lun. 16 nov. 2009 20:50

Nous ne répondrons plus à ce message car il n'est pas d'un niveau terminale S, mais bien au dessus.
Verrouillé